CN
S Square drive hydraulic torque wrench
The S Series hydraulic torque wrench features a non-ratcheting trigger design, preventing the wrench and bolt from jamming during operation and allowing easy removal after tightening is completed. It is equipped with an in-line 360° fine-adjustable reaction arm.WREN provide after-sales service all over the world, and already got the approved by TUV certificate
It offers 5 models covering a torque range from 172 N.m to 36992 N.m
Maximum working pressure: 70 MPa, with an accuracy of ±3%
Works with high-strength sockets via a square drive connection, offering a wide range of bolt compatibility.
Made of aluminum-titanium alloy, it is lightweight and high in strength
Contact Us
Square drive hydraulic torque wrench
Square drive hydraulic torque wrench
Square drive hydraulic torque wrench
Square drive hydraulic torque wrench
Square drive hydraulic torque wrench
Square drive hydraulic torque wrench
Square drive hydraulic torque wrench
Square drive hydraulic torque wrench
Technical Parameters

Model

Torque

Bolt Size

Square Drive

Cassette Weight

N.m

m

kg

S17

172~1727

16~36

3/4"

2

S45

452~4529

22~48

1"

4.6

S100

1006~10064

30~64

1½"

10

S150

1497~14974

36~72

1½"

14.8

S370

3699~36992

48~100

2½"

32.5


Operating Condition Examples
Square drive hydraulic torque wrench
Square drive hydraulic torque wrench
Square drive hydraulic torque wrench
Square drive hydraulic torque wrench
Square drive hydraulic torque wrench
Square drive hydraulic torque wrench
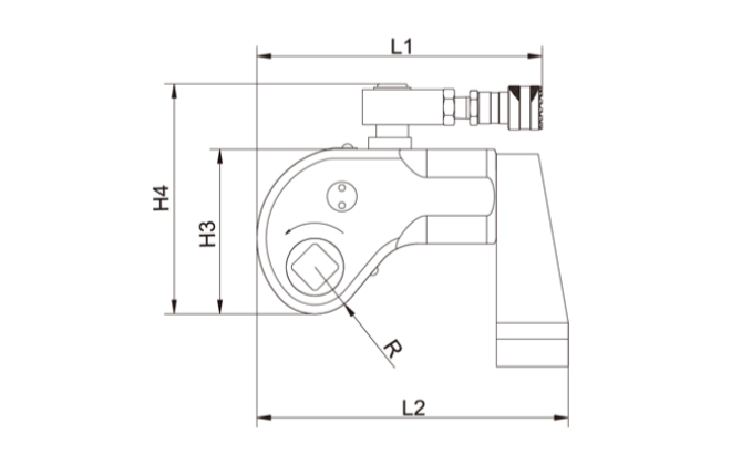
Size Chart
Square drive hydraulic torque wrench
Square drive hydraulic torque wrench

Model

Size(mm)

L1

L2

H1

H2

H3

H4

R

S17

129

167

51

73

90

131

25

S45

167

218

68

98

121

170

4

S100

223

293

92

135

163

211

46

S150

264

323

100

141

177

225

50

S370

329

432

137

200

240

288

66


Optional Accessories
Square drive hydraulic torque wrench
If you need to customize a special reaction arm, socket, or other supporting components, please feel free to contact us!
Contact Us
Fill out the form
  • Name *
    The name entered is incorrect.
  • Contact Number *
    The entered phone number format is incorrect.
  • E-mail *
    The email address format is incorrect.
  • Company name *
    The company name entered is incorrect.
  • Requirement Description *
    Up to 300 characters can be entered.
  • Code *
    Click to switch CAPTCHA
    The entered verification code is incorrect.
Please fill in all fields marked with an asterisk.
Confirm Submission
Submission successful
WREN